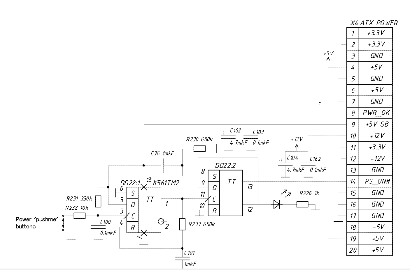
Я поискал и нашёл простую схему триггера на 74HC74 микросхеме и 4.7KOhm резисторе, в оригинале для амиги: Amiga power supply guide.
Кто-нибудь так делал? Работает нормально?

Return to ATM turbo - софт и железо
Users browsing this forum: No registered users and 12 guests