Спешит таймер часов

ZX evolution software and hardware

Postby Сергей » 12 Dec 2015, 15:13

посмотрю до завтра как будет если что верну С9 обратно
zx evo revС
Сергей
 
Posts: 253
Joined: 23 Feb 2015, 14:15
Location: новосибирск
Group: Registered users

Postby DimkaM » 12 Dec 2015, 20:36

Сергей wrote:уже 5 часов вечера решил сравнить секунды на эве стало на секунду вперед

Одна секунда ничего не значит. Так как может быть погрешность при считывании rtc ЕРСом. ЕРС считывает реги rtc только при ресете Евы, а далее уже сам щитает секунды. То есть в одном случае таймер может прочитатся в начале секунды, а в другом случае в конце секунды.

Кстати эта фигня не только в Еве. В ПЦ и в телефонах и вообще во многих девайцах, реги rtc читаются тока при старте девайса обычно, а далее уже ось щитает секунды.
ZX-Evo rev B, ZX-Evo rev C, ZXNetUsb rev A, ZXNetUsb rev С
http://nedoos.ru/ http://ti6.zxevo.ru/
DimkaM
 
Posts: 1387
Joined: 24 Mar 2010, 13:42
Location: джунгли Амазонки
Group: Registered users

Postby DimkaM » 12 Dec 2015, 20:45

Кстати можно наверно програмно проверить точность хода часов. Зафиксировать переход секунд из 59 в 00, далее щитаем инты и ждем ещё один переход из 00 в 59. Далее дело математики. только вот насколько точно это все будет хз. Вот минут 10 наверно нормально будет для измерения.

Хотя у себя я уже так щитал, только мне наоборот надо было, пощитать такты в режиме активного чтения rtc. И вродеб довольно точно считалось.
ZX-Evo rev B, ZX-Evo rev C, ZXNetUsb rev A, ZXNetUsb rev С
http://nedoos.ru/ http://ti6.zxevo.ru/
DimkaM
 
Posts: 1387
Joined: 24 Mar 2010, 13:42
Location: джунгли Амазонки
Group: Registered users

Postby Сергей » 12 Dec 2015, 23:24

включил Эву в 01.17 сверил время уже на 4 сек в перед ушли часы на эве
zx evo revС
Сергей
 
Posts: 253
Joined: 23 Feb 2015, 14:15
Location: новосибирск
Group: Registered users

Postby Сергей » 12 Dec 2015, 23:25

короче впаиваю с9 обратно
zx evo revС
Сергей
 
Posts: 253
Joined: 23 Feb 2015, 14:15
Location: новосибирск
Group: Registered users

Postby Сергей » 12 Dec 2015, 23:42

а корпус кварца часов должен быть припаян к плате?
zx evo revС
Сергей
 
Posts: 253
Joined: 23 Feb 2015, 14:15
Location: новосибирск
Group: Registered users

Postby Сергей » 13 Dec 2015, 00:06

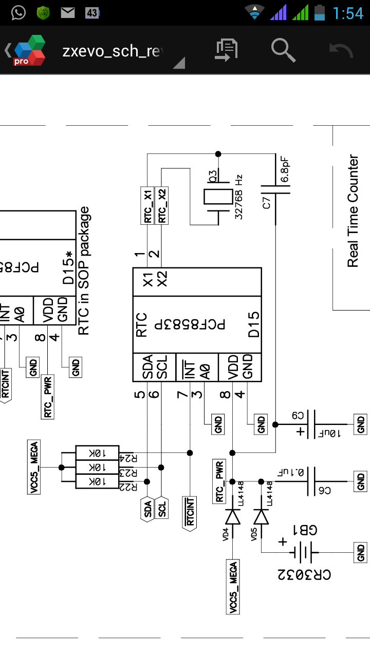
и микросхема pcf8583p у меня стоит в колодке хрен знает с кондером с9 вроде не так быстро часы спешили
Attachments
Screenshot_2015-12-13-01-54-55.png
(82.36 KB) Not downloaded yet
zx evo revС
Сергей
 
Posts: 253
Joined: 23 Feb 2015, 14:15
Location: новосибирск
Group: Registered users

Postby DimkaM » 13 Dec 2015, 11:16

Felix wrote:таймер часов за 2-3 недели убегает вперёд на 4-5 минут.
Сергей wrote:так же и у меня
то есть ~17секунд в день!?
Сергей wrote:я его выпаял собрал Эву настроил точно секунды...
...включил Эву в 01.17 сверил время уже на 4 сек в перед ушли часы на эве
то есть ~6секунд в день!?
Сергей wrote:короче впаиваю с9 обратно
6<17 !?
ZX-Evo rev B, ZX-Evo rev C, ZXNetUsb rev A, ZXNetUsb rev С
http://nedoos.ru/ http://ti6.zxevo.ru/
DimkaM
 
Posts: 1387
Joined: 24 Mar 2010, 13:42
Location: джунгли Амазонки
Group: Registered users

Postby DimkaM » 13 Dec 2015, 11:24

Сергей wrote:а корпус кварца часов должен быть припаян к плате?

у меня припаян. но мне кажеца это для чтоп его не сдёрнули случайно
ZX-Evo rev B, ZX-Evo rev C, ZXNetUsb rev A, ZXNetUsb rev С
http://nedoos.ru/ http://ti6.zxevo.ru/
DimkaM
 
Posts: 1387
Joined: 24 Mar 2010, 13:42
Location: джунгли Амазонки
Group: Registered users

Postby Сергей » 13 Dec 2015, 11:41

Дим в паял я С9 заноч часы ушли в перед на пол секунды тоесть не так как безнего на 6 сек .На счёт кварца похоже он припаиваеться для экранировки от помех это моё мнение ну и как ты сказал чтоб не выдрали
zx evo revС
Сергей
 
Posts: 253
Joined: 23 Feb 2015, 14:15
Location: новосибирск
Group: Registered users

PreviousNext

Return to Пентева - софт и железо

Who is online

Users browsing this forum: No registered users and 13 guests

cron